Introducción a la ingeniería química/de proceso.
Son equipos que comprimen gases por medio de una reducción de volumen. Transfieren energía al fluido y permiten su transporte debido al aumento de su presión.
Cumplen la misma función de los compresores, pero con líquidos.
Es la separación de materiales sólidos y fluidos que involucra el paso de la mayor parte del fluido a través de una barrera porosa que retiene la mayor parte del sólido.
Elementos:






Es la separación parcial de un sólido suspendido de una matriz líquida por efecto de la gravedad.
Propósitos:
Operación donde se separan impurezas del agua por media de membranas semipermeables.
¡No confundir con filtrado!
Separación de sólidos y líquidos por diferencia de densidad o por filtrado, por efecto de un movimiento centrífugo.


Operación para la reducción del tamaño de partículas sólidas por deaglomeración o por fracturación.


Separación de sólidos basada en la diferencia de tamaños de partículas.



Equipos donde se genera vapor.
Operaciones con reacción química.
Representaciones gráficas de un proceso químico.
Niveles:
Diagrama de funciones o bloques genéricos.
Diagrama de operaciones.
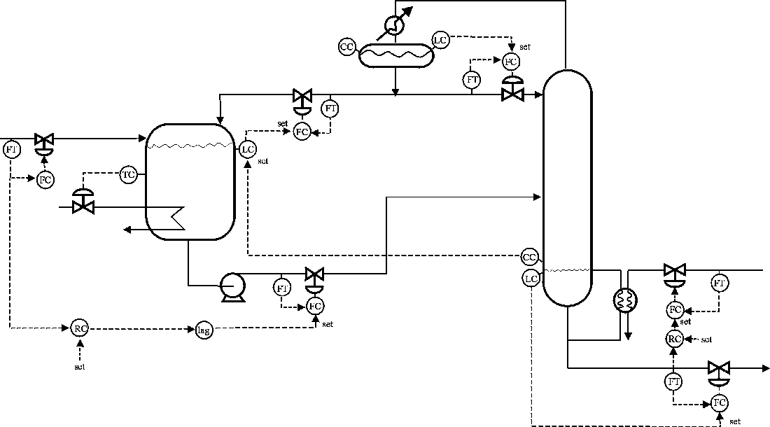
Diagrama de proceso.
Serie de bloques que representan los equipos o unidades de las diferentes operaciones, articuladas por una entrada y una salida.
Se profundiza la información del diagrama de bloques, agregando información sobre variables del porceso, características de las corrientes y especificaciones de los equipos.
Tolueno (10,000 kg/h) e hidrógeno (820 kg/h) son alimentados a un reactor para producir benceno y metano. La reacción es incompleta (75%), y no se requiere exceso de tolueno. Los gases no condensables (2610 kg/h) se separan en un condensador para ser descargados, mientras que el producto de benceno y el tolueno sin reaccionar se separan a continuación por destilación. El tolueno se recicla de nuevo al reactor y se extrae una purga, y el benceno (8210 kg/h) es retirado de la corriente. La reacción que rige el proceso es la siguiente:
\[ C_7 H_8 + H_2 \rightarrow C_6 H_6 + CH_4 \]